本申請實施例提供了一種電源充放電管理系統,其特征在于:包括電源適配器、電池和電源管理電路,電源適配器與外部電源連接,電源管理電路用于在電池電量滿足負載設備的用電需求時,選擇電池為其供電,在電池電量不滿足負載設備的用電需求時,切換至電源適配器的第一輸出端,由外部電源供電,電源管理電路還與電源適配器的第二輸出端連接,由與電源適配器連接的外部電源與電源管理電路供電,在電池電量不足時,通過電源管理電路為電池充電。本實施例的負載所需的用電電壓VCC可以通過電源管理電路由電池或適配器供電,并且當電池電壓下降到充電閾值(VREF)以下時,可通過適配器為電池充電,電路結構簡單,提高了電源管理的效率。






| 附圖說明 |
| 為了更清楚地說明本實用新型實施例,下面將對實施例或現有技術描述中所需要使用的附圖做簡單介紹,顯而易見地,下面描述中的附圖僅僅是本實用新型的一些實施例,對于本領域普通技術人員來講,在不付出創造性勞動的前提下,還可以根據這些附圖獲得其他的附圖。 |
| 圖1為本實用新型實施例的電路原理框圖; |
| 圖2為本實用新型實施例的充電控制器的接口示意圖; |
| 圖3為本實用新型實施例的適配器輸入電流限制電路的電路原理圖; |
| 圖4為本實用新型實施例的電池充電電流限制電路的電路原理圖; |
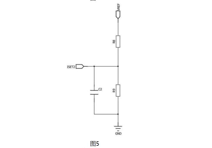
| 圖5為本實用新型實施例的電池充電預處理電流限制電路的電路原理圖; |
| 圖6為本實用新型實施例的電源管理電路的部分原理圖。 |
| 以下結合附圖對本實用新型的具體實施方式作進一步詳細地說明。 |